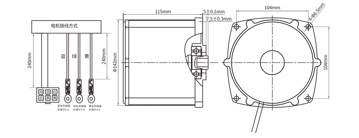
技术参数
| 型号 Model | BQM14418 | |||||
|---|---|---|---|---|---|---|
| 电机尺寸 Dimensions(mm) | Φ142x115 | 额定电压 Rated Voltage(V) | 48 | 额定电流 Rated Current(A) | 48 | |
| 额定功率 Rated Wattage(W) | 1800 | 极数 Poles | 8 | 额定转矩 Rated Torque(N·m) | 6.3 | |
| 额定转速 Rated Speed(rpm) | 2750 | 防护等级 IP Classification | IP54 | 绝缘等级 Insulation Grade | F | |
| 工作制 Working Type | S2(on 60min) | |||||

外型图示
(Exterior Drawing)